Genel Kültürünüzü Konuşturabilmeniz İçin İdeal 18 Tuhaf Ama Gerçek Bilgi
Bu bilgilerle ortamlarda genel kültürünüzü konuşturabilir ve belki de tıkanmış muhabbetlere yeni bir boyut kazandırabilirsiniz.1. Kaliforniya-Livermore'da bulunan bu ampül yaklaşık 113 yıldır hiç sönmeden yanmaktadır. Dünya'nın en uzun süreli yanan ampülüdür.
2. Patates 1600'lü yıllarda Fransa'ya ilk kez getirildiğinde, zehir içerebileceği düşünülerek yasaklanmıştı.

Patates'in bir çok hastalığa neden olduğu iddia edilmiş ve tüketilmesine karşı konulmuştu.

3. Mutluluk, hüzün ve diğer türden gözyaşlarının mikroskop altında farklı göründüğünü biliyor muydunuz? İçeriğinde yağ, antikor ve enzimler bulunan gözyaşı, tiplerine göre farklı moleküller barındırdığından, değişkenlik göstermektedir.
4. Neanderhtal erkekleri makyaj yapmaları nedeniyle insanlık tarihinin ilk metro seksüel erkekleri olarak kabul edilirler.

5. 1970 yılında Honduras ile El Salvador arasında bir futbol maçı sırasında savaş çıkmış ve yaklaşık 100 saat sürmüştür.

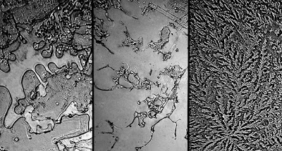
6. Bir damla okyanus suyunun 25 kez büyütülmüş fotoğrafı. Bir damla okyanus suyunda bakteriler, solucanlar, yengeç larvaları, balık yumurtaları ve daha bir çok şey bulunmaktadır.

7. Sezar korsanlar tarafından kaçırılıp 38 gün esir tutulduğunda, korsanlardan daha fazla fidye talep etmelerini istemiştir.

Korsanlara, kendisini bıraktıkları taktirde onları yakalayıp çarmıha gereceğini söyler ve serbest kaldıktan sonra da sözünü tutar.

8. Maria Assunta isimli kadın 2009 yılında ölürken, tüm mal varlığını sokakta bulup evine aldığı kedisi Tommaso'ya bırakmıştır. Tommaso, sahibinin miras olarak bıraktığı yaklaşık 13 Milyon Dolar ve çeşitli şehirlerdeki gayrimenkulleri ile dünyanın gelmiş geçmiş en zengin kedisi olmuştur.
9. Bira, 2011 yılına kadar Rusya'da alkollü içecek olarak kabul edilmiyordu

10. Pamuk Şeker 1897 yılında bir dişçi tarafında bulunmuştur. Dişçi William J. Morrison ve arkadaşı John C. Wharton şekeri kristalize eden bir makine üretir ve pamuk şekeri yaparlar.

11. Dünya'nın en uzun süreli trafik sıkışıklığı, Ağustos, 2010 yılında, Pekin-Tibet karayolunda yaşanmıştır. Yaklaşık 100 km uzunluğunda araç kuyruğu oluşmuş ve trafiğin açılması 12 gün sürmüştür.

12. Pırlanta, zamanında elinde çok büyük bir pırlanta stoğu bulunduran DeBeers şirketi tarafından yapılan çok zekice bir pazarlama sonucu insanlar tarafından değerli kabul edilmiştir. Elindeki stoğun talebe göre çok azını satan DeBeers şirketi, fiyatların artmasını ve insanların pırlantaya daha fazla değer vermesini sağlamıştır. Oysa sizin de farkedeceğiniz gibi her kadının parmağında olan pırlanta doğada az bulunan bir taş değildir!

13. Günümüzde her iki dakikada, 19. yüzyıl'da çekilen tüm fotoğraftan daha fazla fotoğraf çekilmektedir

14. Hemen her fermuarda bulunan YKK markası Yoshida Kogyo Kabushikikaisha isimlerinin baş harflerini temsil etmektedir. 71 ülkede 109 fermuar fabrikası bulunan Japon şirketi günde 5 milyon fermuar üretmektedir
15. Çöpçatanlık sitesi Match.com kurucusu Greg Kremen'in kız arkadaşı Greg'i Match.com üzerinden tanıştığı başka bir erkekle aldatmıştır

16. Bal hiç bir zaman bozulmaz.
17. Dünya'daki insanların üçte ikisi hayatlarında hiç kar görmemiştir
18. Elvis Presley 8. sınıfta müzik dersinden C (orta) almıştır

paylaşımlar hakkında görüş ve düşüncelerinizi belirtebilirsiniz